Блоки предохранителей и реле Lada Priora и электросхемы
панель для быстрого выбора категории
подъёмники

Все предохранители, реле и электросхемы автомобилей Лада Приора (2007 - 2018). Отдельно, красным цветом выделим предоханитель прикуривателя, бензонасоса и отопителя, которые чаще всего ищут. Также здесь вы найдёте расположение диагностического разъёма и наиболее частое расположение кнопки валет.
Расположение предохранителей в Приоре
Предохранители и реле в Приоре расположеныв двух блоках - в салоне и под капотом.

чтобы добраться до предохранителей в салоне, снимите эту крышку, это несложно, у вас получится 😏
Схема предохранителей в салоне Lada Priora
Монтажный блок 1118-3722010-00

Монтажный блок DELRHI 15493150

| № | А | Функция/компонент |
| F1 | 25 | DELRHI 15493150: Не используется 1118-3722010-00: Электродвигатель вентилятора системы охлаждения двигателя |
| F2 | 25 | Монтажный блок, реле включения обогрева заднего стекла (контакты) Контроллер электропакета, контакт «10» колодки XP2 Элемент обогрева заднего стекла |
| F3 | 10 | Правая фара, лампа дальнего света Комбинация приборов, сигнализатор включения дальнего света фар |
| F4 | 10 | Левая фара, лампа дальнего света |
| F5 | 10 | Монтажный блок, реле включения звукового сигнала Звуковой сигнал |
| F6 | 7,5 | Левая фара, лампа ближнего света Мотор-редуктор регулятора направления пучка света левой блок-фары |
| F7 | 7,5 | Правая фара, лампа ближнего света Мотор-редуктор регулятора направления пучка света правой блок-фары |
| F8 | 10 | Монтажный блок, реле включения сирены сигнализации Звуковой сигнал штатной сигнализации |
| F9 | 25 | DELRHI 15493150: Не используется |
| F10 | 10 | DELRHI 15493150: Комбинация приборов, контакт «20» Выключатель стоп-сигнала Лампы стоп-сигналов Блок освещения салона Плафон освещения салона Плафон освещения порога правой передней двери Дополнительный сигнал торможения |
| 7.5 | 1118-3722010-00: Жидкокристаллический индикатор комбинации приборов Лампы сигналов торможения Лампа плафона освещения салона | |
| F11 | 20 | Монтажный блок, реле включения высокой скорости очистителя ветрового стекла Переключатель очистителей и омывателей, контакт «53а» Переключатель очистителей и омывателей, контакт «53ah» Выключатель обогрева заднего стекла Монтажный блок, реле включения обогрева заднего стекла (обмотка) Электродвигатель очистителя ветрового стекла Электродвигатель очистителя заднего стекла (2171, 2172) Электродвигатель омывателя ветрового стекла Электродвигатель омывателя заднего стекла (2171, 2172) Блок управления надувных подушек безопасности, контакт «25» |
| F12 | 10 | Комбинация приборов, контакт «21» Контроллер электропакета, контакт «9» колодки X2 Блок управления электромеханическим усилителем рулевого управления, контакт «1» колодки X2 Выключатель лампы света заднего хода Лампы света заднего хода Блок управления системы парковки, контакт «11» и «14» |
| F13 | 15 | Прикуриватель |
| F14 | 5 | Лампы габаритного света (левый борт) Комбинация приборов, сигнализатор главного включателя света Фонари освещения номерного знака Фонарь освещения багажника Контроллер электропакета, контакт «12» колодки X2 |
| F15 | 5 | Лампы габаритного света (правый борт) Плафон освещения вещевого ящика |
| F16 | 10 | Блок ABS, контакт «18» |
| 5 | Блок управления ABS | |
| F17 | 10 | Противотуманная фара левая |
| F18 | 10 | Противотуманная фара правая |
| F19 | 15 | Выключатель обогрева сидений, контакт «1» Обогреватели передних сидений |
| F20 | 10 | Выключатель рециркуляции (сигнализатор включения) Монтажный блок, реле включения ближнего света фар и габаритных огней (система автоматического управления освещением) Реле электровентилятора отопителя Выключатель автоматического управления освещением Блок управления стеклоочистителем и внешним освещением, контакты «3», «11» Контроллер системы автоматического управления климатической установкой, контакт «1» Датчик системы автоматической очистки стекол (датчик дождя), контакт «1» |
| F21 | 5 | С 2007 года: Переключатель световой сигнализации, контакт «30» Колода диагностики, контакт «16» Часы Контроллер системы автоматического управления климатической установкой, контакт «14» |
| 10 | С 2013 года: Центральный блок кузовной электроники (центральный замок, электростеклоподъемники, аварийная сигнализация, указатели поворотов, дальний свет фар, сигнализация дальним светом, обогрев сидений, обогрев заднего стекла, очиститель ветрового стекла, блок автоматического управления наружным освещением) Диагностический разъем Блок управления отопителем | |
| F22 | 20 | С 2007 года: Электродвигатель очистителя ветрового стекла (автоматический режим) Монтажный блок, реле включения очистителя ветрового стекла и реле включения высокой скорости очистителя ветрового стекла, (контакты) |
| 5 | С 2013 года: Блок выключателей на двери водителя | |
| F23 | 7,5 | С 2007 года: Блок управления стеклоочистителем и внешним освещением, контакт «20» |
| 5 | С 2013 года: Дневные ходовые огни | |
| F24 | 15 | С 2013 года: Блок управления системой надувных подушек безопасности |
| F25 | 20 | С 2013 года: Центральный блок кузовной электроники, очиститель ветрового стекла |
| F26 | 5 | С 2013 года: Задние противотуманные огни |
| F27 | — | Запасной |
| F28 | — | Запасной |
| F29 | — | Запасной |
| F30 | — | Запасной |
| F31 | 30 | Контроллер электропакета, клемма «2» колодки X1 Контроллер электропакета, клемма «3» колодки X1 Модуль двери водителя, контакт «6» Плафон освещения порога левой передней двери |
| F32 | 30 | С 2013 года: Электровентилятор отопителя |
| Реле | ||
| К1 | Реле вентилятора системы охлаждения (на автомобиле без кондиционера) Люкс Плюс: Реле включения ближнего света и габаритных огней фар (система автоматического управления освещением; 5-1393304-8 TYCO) | |
| К2 | Реле включения обогрева заднего стекла | |
| К3 | Реле включения стартера | |
| К4 | Реле разгрузки выключателя зажигания | |
| К5 | Не используется | |
| К6 | С 2007 года: Реле очистителя ветрового стекла С 2013 года: Не используется | |
| К7 | Реле включения дальнего света фар | |
| К8 | Реле включения звукового сигнала | |
| К8 | Реле ближнего света фар | |
| К9 | С 2007 года: Реле включения звукового сигнала тревожной сигнализации С 2013 года: Реле автоматического управления наружным освещением(блок автоматического управления наружным освещением (дальний и ближний свет фар, противотуманные фары, лампы противотуманного света в задних фонарях, регулятор направления пучков света фар)) | |
| К10 | Реле включения противотуманных фар | |
| К11 | С 2007 года: Реле включения обогрева передних сидений С 2013 года: Реле задних противотуманных огней | |
| К12 | Люкс Плюс: Реле включения очистителя ветрового стекла (прерывистый режим и автоматический режим) | |
Блок предохранителей под капотом Лада Приора

| № | А | Функция/компонент |
| 1 | 30 | Обмотка главного реле, предохранитель постоянного питания контроллера, предохранитель силовой цепи главного реле |
| 2 | 60 | С 2007 года: Цепи всех потребителей, запитываемых от замка зажигания |
| 40 | С 2013 года: Блок управления ABS | |
| 3 | 60 | Цепи потребителей, к которым подводится постоянный «+» от аккумуляторной батареи независимо от положения ключа в замке зажигания (плафон освещения салона, прикуриватель, звуковой сигнал, сигналы торможения, контроллер системы дистанционного управления электропакетом) |
| 40 | С 2013 года: Блок управления ABS | |
| 4 | 60 | Силовая цепь генератора (соединение генератора с аккумуляторной батареей) |
| 5 | 50 | Цепь питания электроусилителя рулевого управления |
| 6 | 60 | Силовая цепь генератора (соединение генератора с аккумуляторной батареей) |
дополнительный блок предохранителей под капотом
| № | А | Функция/компонент |
| 1 | 50 | Элемент обогрева ветрового стекла |
| 2 | — | Не используется |
| 3 | 40 | Электродвигатель вентилятора отопителя |
| 4 | 15 | Цепь электромагнитной муфты компрессора кондиционера |
| 5 | 30 | Электродвигатель дополнительного вентилятора системы охлаждения |
| 6 | 30 | Электродвигатель основного вентилятора системы охлаждения |
| Реле | ||
| К1 | Реле большой скорости вентиляторов системы охлаждения (на автомобиле с кондиционером) | |
| К2 | Реле кондиционера | |
| К3 | Реле вентилятора отопителя | |
| К4 | Реле малой скорости вентиляторов системы охлаждения (на автомобиле с кондиционером) | |
| К5 | Управляющее реле вентиляторов системы охлаждения (на автомобиле с кондиционером) | |
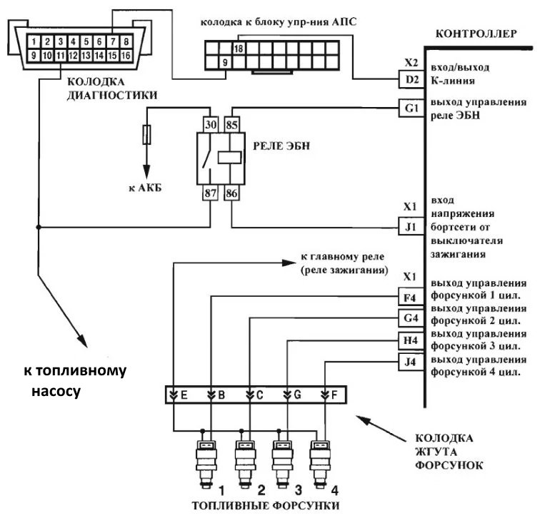
Предохранитель и реле топливного насоса Приора

| № | А | Функция/компонент |
| 1 | 15 | С 2013 года: Цепь постоянного питания контроллера |
| 7.5 | С 2007 года: Цепь постоянного питания контроллера | |
| 2 | 15 | Топливный насос |
| 3 | 15 | С 2007 года: Главное реле С 2013 года: Не используется |
| 4 | 15 | С 2013 года: Главное реле С 2007 года: Не используется |
| Реле | ||
| К1 | Реле топливного насоса | |
| К2 | Главное реле | |
Кнопка валет на приоре
Кнопка валет может находится где угодно, это зависит от фантазии установщика сигнализации, но из опыта чаще всего её устанавливают в салонном блоке предохранителей, впервую очередь смотрите там. Как она выглядит показано на фото.

Схема фар Лада Приора

1 – блок-фары;
2 – контрольная лампа включения дальнего света фар в комбинации приборов;
3 – монтажный блок;
4 – подрулевой переключатель света фар;
5 – модуль управления светотехникой;
6 – выключатель (замок) зажигания;
К7 – реле включения дальнего света фар;
А – к основному блоку предохранителей (F3);
В – к контроллеру электропакета, вывод «14»
Схема сигнала Лада Приора

Расположение диагностического разъёма Лада Приора

Диагностический разъём находится за бардачком.
Схема бензонасоса Лада Приора