Блоки предохранителей и реле Toyota Camry XV50
панель для быстрого выбора категории
подъёмники

Блоки предохранителейи реле в Камри 2011 - 2019 годов выпуска. Как всегда цветом выделим предохранители замена которых требуется чаще всего, это предохранители прикуривателя, вентилятора печки, обогрева сидений, дворников и т.д. Также в таблице предохранителей есть ссылки на некоторые электросхемы, покажем расположение разъёма диагностики и наиболее вероятное расположение кнопки валет сигнализации. Запасные предохранители - "SPARE".
* все лампы применяемые в Камри 50
Расположение предохранителей и реле под капотом Тойота Камри 50

| № | Имя | А | Назначение |
| 1 | METER-IG2 | 5 | Измерительные приборы + СХЕМА |
| 2 | FAN | 50 | 2GR-FE: Вентиляторы радиатора + СХЕМА |
| 3 | H-LPCLN | 30 | Очиститель фар |
| 4 | HTR | 50 | Вентилятор отопителя (печки) + СХЕМА |
| 5 | ALT | 120 | без обогревателя заднего сиденья: Система зарядки аккумулятора |
| 140 | с обогревателем заднего сиденья: Система зарядки аккумулятора | ||
| 6 | ABS NO.2 | 30 | Система курсовой устойчивости автомобиля |
| 7 | ST/AM2 | 30 | Система стартера, предохранители: ECU-IG2 NO.1, A/B, ECU-IG2 NO.2 |
| 8 | H-LP-MAIN | 30 | Предохранители: H-LP LH-LO, H-LP RH-LO, MNL H-LP LVL, передние фары (ближний свет) |
| 9 | ABS NO.1 | 50 | Система курсовой устойчивости автомобиля |
| 10 | EPS | 80 | Электропривод руля |
| 11 | S-HORN | 7.5 | сирена штатной сигнализации |
| 12 | HORN | 10 | Звуковой сигнал |
| 13 | EFI NO.2 | 15 | Система многоточечного впрыска топлива/система последовательного многоточечного впрыска топлива, трансмиссия с электронным управлением |
| 14 | EFI NO.3 | 7.5 | 2AR-FE: Система многоточечного впрыска топлива/система последовательного многоточечного впрыска топлива, трансмиссия с электронным управлением |
| 10 | 2GR-FE: Система многоточечного впрыска топлива/система последовательного многоточечного впрыска топлива, трансмиссия с электронным управлением | ||
| 15 | INJ | 7.5 | Система многоточечного впрыска топлива/система последовательного многоточечного впрыска топлива, трансмиссия с электронным управлением |
| 16 | ECU-IG2 NO.3 | 7.5 | Система многоточечного впрыска топлива/система последовательного многоточечного впрыска топлива, трансмиссия с электронным управлением, система блокировки рулевой колонки, трансмиссия с электронным управлением |
| 17 | IGN | 15 | Система стартера |
| 18 | D/L-AM2 | 20 | Система запирания всех дверей |
| 19 | IG2-MAIN | 25 | Предохранители: IGN, INJ, METER-IG2, ECU-IG2 NO.3, A/B, ECU-IG2 NO.2, ECU-IG2 NO.1 |
| 20 | ALT-S | 7.5 | Система зарядки аккумулятора |
| 21 | MAYDAY | 5 | — |
| 22 | TURN&HAZ | 15 | Указатели поворота, аварийная сигнализация, измерительные приборы |
| 23 | STRG LOCK | 10 | Система блокировки руля + СХЕМА |
| 24 | AMP | 15 | Аудиосистема |
| 25 | H-LP LH-LO | 15 | Автомобили с галогенными фарами: Левая фара (ближний свет), система ручной регулировки угла наклона фар |
| 20 | Автомобили с газоразрядными фарами: Левая фара (ближний свет) | ||
| 26 | H-LP RH-LO | 15 | Автомобили с галогенными фарами: Правая фара (ближний свет) |
| 20 | Автомобили с газоразрядными фарами: Правая фара (ближний свет) | ||
| 27 | MNL H-LP LVL | 7.5 | Автомобили с газоразрядными фарами: Система ручной регулировки угла наклона фар |
| 28 | EFI-MAIN NO.1 | 30 | Система многоточечного впрыска топлива/система последовательного многоточечного впрыска топлива, трансмиссия с электронным управлением, предохранители: EFI NO.2, EFI NO.3, A/F sensor |
| 29 | SMART | 5 | Интеллектуальная система доступа без ключа |
| 30 | ETCS | 10 | Электронное управление дроссельной заслонкой |
| 31 | TOWING | 20 | — |
| 32 | EFI NO.1 | 7.5 | Система многоточечного впрыска топлива/система последовательного многоточечного впрыска топлива, трансмиссия с электронным управлением, трансмиссия с электронным управлением |
| 33 | EFI-MAIN N0.2 | 20 | 2AR-FE: Система многоточечного впрыска топлива/система последовательного многоточечного впрыска топлива, трансмиссия с электронным управлением |
| A/F | 2GR-FE: Система многоточечного впрыска топлива/система последовательного многоточечного впрыска топлива, трансмиссия с электронным управлением | ||
| 34 | AM 2 | 7.5 | Интеллектуальная система доступа без ключа |
| 35 | RADIO-B | 20 | Аудиосистема, система навигации |
| 36 | DOME | 7.5 | Часы, подсветка зеркал, освещение салона, лампы для чтения, подсветка багажника, подсветка подножки дверей + СХЕМА |
| 37 | ECU-B NO.1 | 10 | Мультиплексная система связи, интеллектуальная система доступа без ключа, измерительные приборы, система регулировки наклона и высоты рулевой колонки, датчик рулевого колеса, пульт дистанционного управления |
Блок предохранителей в салоне Тойота Камри 50

| № | Имя | А | Назначение |
| 1 | ECU-IG1 NO.2 | 10 | Очиститель фар, датчик безопасной парковки Toyota, система блокировки передач, обоогреватели передних сидений, выключатель задней аудиосистемы, задняя система кондиционирования воздуха, обогреватели задних сидений, электрический привод регулировки задних сидений, система регулировки наклона и высоты рулевой колонки, мультиплексная система связи, аудиосистема, система навигации, зеркало заднего вида в салоне, стеклоочистители и омыватель ветрового стекла, задняя солнцезащитная шторка |
| 2 | ECU-IG1 NO.1 | 10 | Система курсовой устойчивости автомобиля, электрические охлаждающие вентиляторы, антизапотеватель заднего стекла, антизапотеватели наружных зеркал заднего вида, датчик рулевого колеса, система многоточечного впрыска топлива/система последовательного многоточечного впрыска топлива, передние фары (ближний свет), система зарядки аккумулятора, Blind Spot Monitor |
| 3 | PANEL | 10 | Подсветка переключателей, система кондиционирования воздуха, прикуриватель, подсветка перчаточного ящика, подсветка рычага переключения передач, лампы для чтения, свет в салоне, аудиосистема, система навигации |
| 4 | TAIL | 15 | Передние габаритные огни, задние габаритные фонари, подсветка номерного знака, передние противотуманные фары, задние противотуманные фонари |
| 5 | EPS-IG1 | 7.5 | Электропривод руля |
| DOOR R/R | 20 | Задний правый электрический стеклоподъемник | |
| 6 | ECU-IG1 NO.3 | 7.5 | Blind Spot Monitor |
| DOOR F/L | 20 | Передний левый электрический стеклоподъемник | |
| 7 | S/HTR&FAN F/L | 10 | Подогрев сидений |
| DOOR R/L | 20 | Задний левый электрический стеклоподъемник | |
| 8 | H-LP LVL | 7.5 | Фары (ближний свет) |
| 9 | WASHER | 10 | Стеклоочистители и омыватель ветрового стекла |
| 10 | A/C-IG1 | 7.5 | Система кондиционирования воздуха |
| 11 | WIPER | 25 | Стеклоочистители и омыватель ветрового стекла |
| 12 | BKUP LP | 7.5 | Фонари заднего хода, система многоточечного впрыска топлива/система последовательного многоточечного впрыска топлива, трансмиссия с электронным управлением, аудиосистема, система навигации |
| 13 | DOOR NO.1 | 30 | Стеклоподъемники |
| 14 | WIPER-S | 5 | — |
| EPS-IG1 | 7.5 | Электропривод руля | |
| 15 | P/OUTLET RR | 20 | Задняя розетка для электроприборов + СХЕМА |
| 16 | SFT LOCK-ACC | 5 | Система блокировки передач |
| 17 | DOOR R/R | 20 | Задний правый электрический стеклоподъемник |
| S/HTR&FAN F/R | 10 | Обогреватели переднего правого сиденья | |
| 18 | DOOR R/L | 20 | Задний левый электрический стеклоподъемник |
| S/HTR&FAN F/L | 10 | Обогреватели переднего левого сиденья | |
| 19 | OBD | 10 | Бортовая система диагностики, питание разъёма диагностики + СХЕМА |
| 20 | ECU-B NO.2 | 10 | Электрические стеклоподъемники, задний выключатель аудиосистемы, задняя система кондиционирования воздуха, обогреватели задних сидений, электрический привод регулировки задних сидений, задняя солнцезащитная шторка |
| 21 | DOOR NO.2 | 20 | Стеклоподъемники |
| 22 | AM1 | 7.5 | Система стартера, система многоточечного впрыска топлива/система последовательного многоточечного впрыска топлива |
| 23 | STOP | 7.5 | Задние габаритные фонари, система многоточечного впрыска топлива/система последовательного многоточечного впрыска топлива, система курсовой устойчивости, антиблокировочная тормозная система, трансмиссия с электронным управлением, верхний стоп-сигнал, интеллектуальная система доступа без ключа, система блокировки передач |
| 24 | P/SEAT RR | 30 | Электрический привод регулировки задних сидений |
| 25 | A/C-B | 7.5 | Система кондиционирования воздуха |
| 26 | S/ROOF | 10 | Люк |
| 27 | P/SEAT FR | 30 | Электрический привод регулировки передних сидений |
| 28 | PSB | 30 | — |
| 29 | D/L-AM1 | 20 | Мультиплексная система связи, кнопка запирания всех дверей, кнопка открывания багажника + СХЕМА |
| 30 | TI&TE | 20 | Система регулировки наклона и высоты рулевой колонки |
| 31 | A/B | 10 | Система подушек безопасности SRS, система классификации переднего пассажира |
| 32 | ECU-IG2 NO.1 | 7.5 | Система многоточечного впрыска топлива/система последовательного многоточечного впрыска топлива |
| 33 | ECU-IG2 NO.2 | 7.5 | Интеллектуальная система доступа без ключа, Blind Spot Monitor |
| 34 | CIG&P/ OUTLET | 15 | Прикуриватель Тойота Камри 50 + СХЕМА |
| 35 | ECU-ACC | 7.5 | Часы, задний выключатель аудиосистемы, задняя система кондиционирования воздуха, обогреватели задних сидений, электрический привод регулировки задних сидений, задняя солнцезащитная шторка, наружные зеркала заднего вида, мультиплексная система связи, аудиосистема, система навигации |
| 36 | S/HTR&FAN FI R | 10 | Подогрев сидений + СХЕМА |
| 37 | S/HTR RR | 20 | Обогреватели задних сидений |
| 38 | DOOR F/R | 20 | Передний правый электрический стеклоподъемник |
| 39 | ECU-IG1 N0.3 | 7.5 | — |
разъём диагностики в Камри 50

Схема вентиляторов охлаждения радиатора 2AR-FE, 1AZ-FE, 6AR-FSE
Автомобили с моторами 2AR-FE, 1AZ-FE, 6AR-FSE не имеют отдельного предохранителя вентиляторов охлаждения. Упрвление вентиляторами осуществляется блоком integration relay. В моделях с двигателем 2GR-FE такой предохранитель есть, называется FAN, схема выше в таблице предохранителей.

Схема дверных концевиков Камри 50
Схема и цвета проводов дверных концевиков ывают нужны при установке сигнализации

Схема стартера Камри 50
Схема стартера после 2015 года

Схема генератора Камри 50 (100, 130 и 150 Ампер)

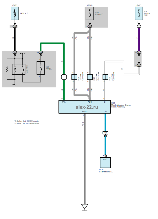
Схема беспроводной зарядки Камри 50

Схема разъёма диагностики Камри 50

Схема дроссельной заслонки, датчиков положения коленвала и распредвала, селектора передач