Passenger Airbag Off | B1150
Lexus RX330 ошибки P1349, P0330, P0420, P0300, P0441
Lexus RX330 ошибка B1150 диагностика - устранение
Lexus NX300 ошибка B1650, B1787
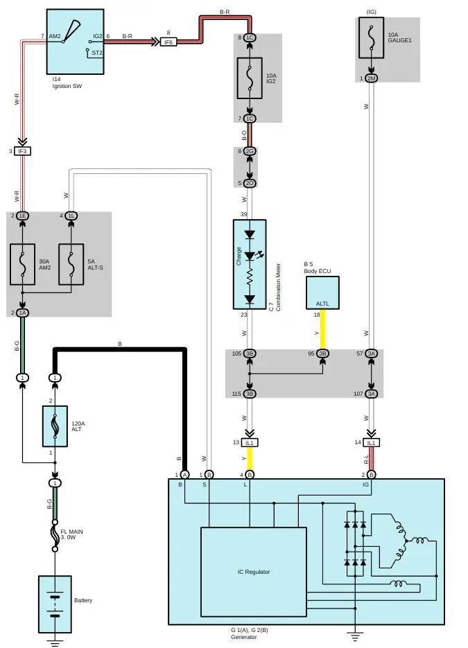
Lexus ES330 схема стартера и генератора
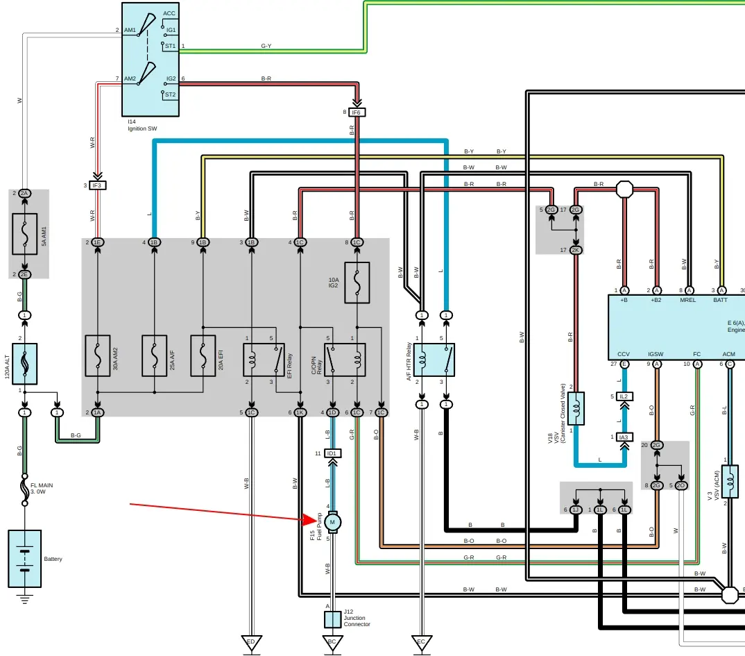
Lexus ES330 схема топливного насоса
Ошибка P0420 Lexus RX300
« первая
предыдущая
страница 2 из 2.