TOYOTA PASSO ремонт кнопок стеклоподъёмника
Toyota Passo предохранитель розетки прикуривателя
Тойота Королла 2018 схема вентилятора радиатора
Toyota Highlander 2011 замена подсветки режимов АКПП (PRDN)
Toyota Rav4 2018 схема подогрева сидений
Toyota Rav4 2018 front seat heater wiring diagram
Toyota Rav4 2018 the rear seat heater wiring diagram
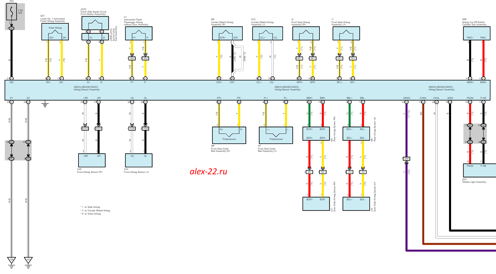
Toyota Rav4 2015+ srs airbag wiring diagram
Toyota Rav4 2015+ srs airbag схема
Toyota Corolla | Matrix ошибки P043E, P043F, P2401, P2402, P2419
Как работает датчик уровня топлива в баке
RAV4 2001-2003 ремонт ЭБУ
страница 1 из 3.
следующая
последняя »