Lexus IS250 не работают стеклодъёмники
Вопрос
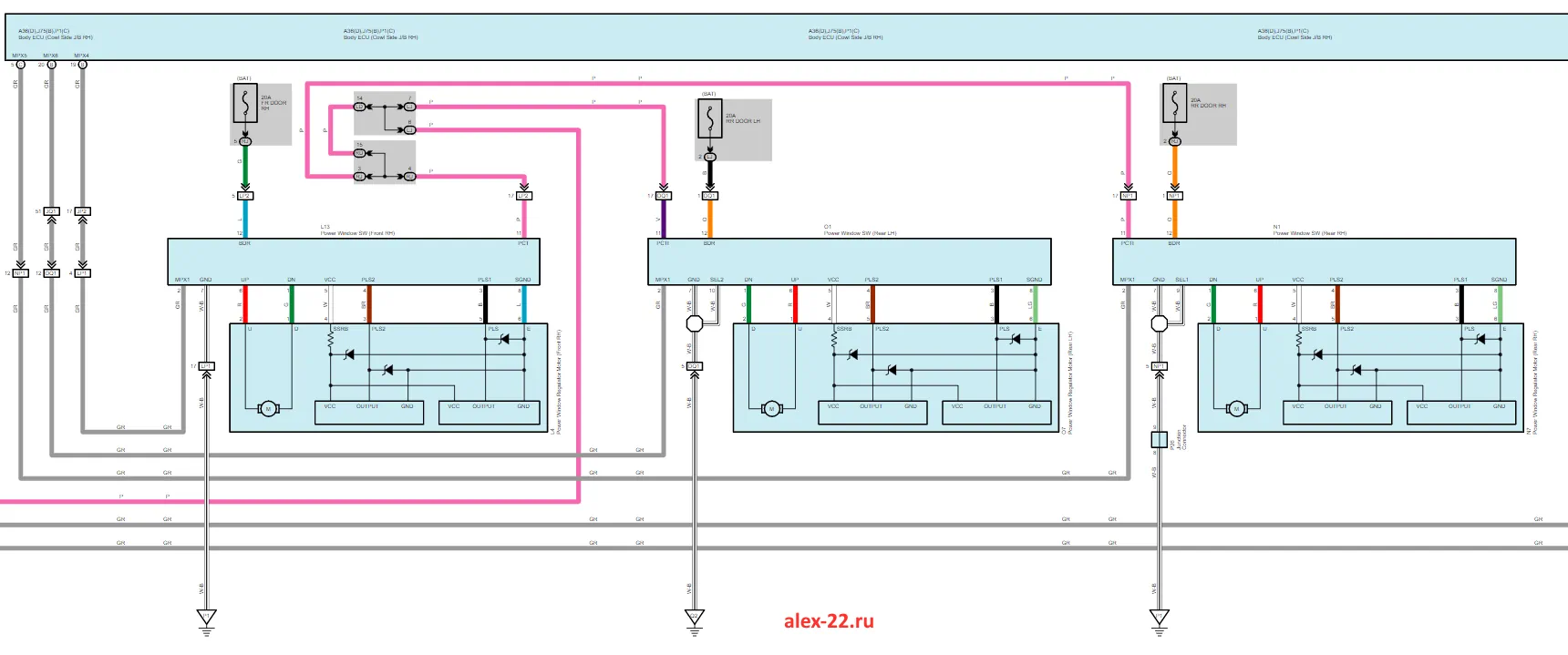
Здравствуйте, я сегодня занимался обслуживанием свего Lexus IS 250 2008 и на некоторое время отключал аккумулятор. После этого в дороге пассажир опустил переднее стекло наполовину и. позже оказалось что оно не поднимается и не опускается. Я пробовал поднять его и другие стёкла с водительского места, безрезультатно (вчера всё работало отлично). Я знаю что нужно выполнить переобучение всех стеклоподъёмников опустив и подняв (с задержкой кнопки в верхнем положении) каждое стекло со своего пульта. Но как оказалось ни одно из пассажирских стёкол не двигается даже со своего пульта! Работает только водительское. И вдобавок кнопка стеклоподъёмника водителя мигает оранжевым светом.
Ответ
Сложно сказать. вообще это выглядит как будто нажата кнопка блокировки на водительском блоке. Каждый блок имеет своё питание от собственного предохранителя. Свою массу. Все они связаны шиной связи MPX, и проводом блокировки - PWS. Проверяйте это, вот схема.
