Headlight System Mailfunction Toyota LC200

tlc200 headlamp system mailfunction visit your dealer

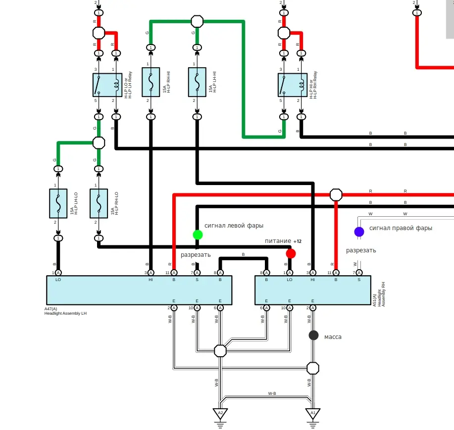
После ДТП фары на этом Крузере 2018 года были заменены на неоригинальные, как результат - ошибки по фарам B2430 и B2431 и надпись па панели приборов "Headlight System Mailfunction Visit Your Dealer". При этом свет работает без проблем

Проблема в том что неоригинальные фары не имеют системы контроля как в оригинальных фарах.

Но это несложно исправить, для этого устанавливаем двухканальный эмулятор штатных фар. Эмулятор LED фар в интернет магазине

Подключение не сложное, всего четыре провода, вот схема подключения на TLC200 20018.

tlc200 headlamp system mailfunction эмулятор b2430 2431